 |
|
電 話:0517-86986118 |
傳 真:0517-86986115 |
商務熱線:13915181726 |
郵 箱:jszryb@163.com |
| 官方網址:http://www.lrxhb.com.cn |
地 址:江蘇省金湖縣金荷路201號 |
|
|
|
|
| |
|
膜片壓力表
關鍵字:膜片壓力表,壓力表 |

YPF系列膜片壓力表適用于測量具有一定腐蝕性、非凝固或非結晶的各種流體介質的壓力或負壓。 膜片壓力表耐腐蝕性能取決于膜片材料。
結構原理
膜片壓力表由測量系統(包括法蘭接頭、波紋膜片)、傳動指示機構(包括連桿、齒輪傳動機構、指針和度盤)和外殼(包括表殼和罩圈)等組成。 膜片壓力表外殼為防濺結構,具有較好的密性,故能保護其內部機構免受污穢浸入。
膜片壓力表的作用原理是基于彈性元件(測量系統上膜片)變形。膜片壓力表在被測介質的壓力作用下,迫使膜片產生相應的彈性變形---位移,借助連桿組經傳動機構的傳動并予放大,由固定于齒輪上的指針逐將被測值在度盤上指示出來。
主要技術指示
精確度等級:2.5
使用環境溫度:-40~+70℃;相對濕度不大于90%
溫度影響:使用溫度偏離20±5℃時,其溫度附加誤差不大于0.04%/℃
工作位置:垂直安裝。
外殼防護等級:IP64
.gif)
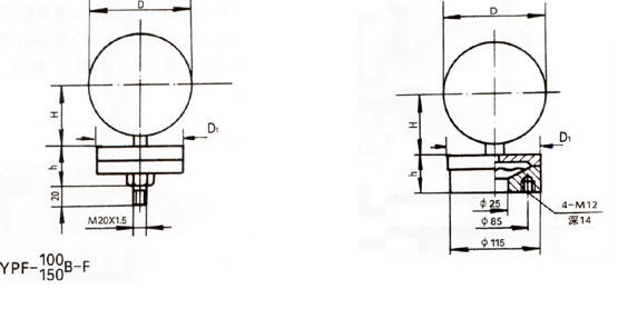
標度范圍、外形尺寸及重量
|
型號
|
標度范圍
|
承壓部
寸D1
|
表殼
外徑D
|
重量kg
|
|
YPF-100A
|
0~0.6、0~0.1、0~0.16、0~0.25、0~0.4
0~0.6、0~0.1、0~1.6、0~2.5、-0.1~0
-0.1~0.06、-0.1~0.15、-0.1~0.3、-0.1~0.5
-0.1~0.9、-0.1~1.5、-0.1~2.4MPa
|
φ85
|
φ100
|
1.6
|
|
YPF-100B
YPF-100B-F
|
|
φ115
|
|
YPF-150A
|
φ85
|
φ150
|
1.8
|
|
YPF-150B
YPF -150B-F
|
|
φ115
|
|
YPF-100B
YPF-100B-F
|
0~1.6、0~.5、0~4、0~6、0~10、
0~16、0~25、0~40*
-1.6~0、-2.5~0、-4~0、-6~0、-10~0
-16~0、-25~0、-40~0*
-0.8~0.8、-1.2~1.2、-2~2、-3~3、-5~5、
-8~8、-12~12、-20~20*kPa
|
φ160
|
φ100
|
2.9
|
|
YPF-150B
YPF-150B-F
|
φ160
|
φ150
|
3.2
|
*0~40、-40~0、±20KPa規格承壓部尺寸D1為φ85
膜片壓力表 導壓系統及外殼等主要零件的材質
|
型號
|
名稱
|
導壓系統
|
表殼材料
|
|
膜片
|
法蘭接頭
|
密封墊圈
|
|
YPF-100A
150A
|
膜片壓力表
|
Cr15Ni7Mo
(PH15-7Mo)
316H(≤25KPa)
|
1Cr18Ni9
|
丁腈橡膠
|
鑄鋁
|
|
YPF-100B
150B
|
不銹鋼膜片壓力表
|
聚四氟乙烯
|
1Cr18Ni9
|
|
YPF-100B-F
150B-F
|
法蘭不銹鋼膜片壓力表
|
|
|
|
YPF-100A
|
YPF-100B
|
YPF-100B
|
YPF-150A
|
YPF-150B
|
YPF-150B-F
|
|
D
|
φ100
|
φ110
|
φ110
|
φ150
|
φ160
|
φ160
|
|
H
|
66
|
66
|
66
|
91
|
91
|
91
|
|
h
|
32
|
32
|
36
|
32
|
32
|
36
|
|
.png)
|
| |
| 相關信息 |
| ● 耐震壓力表的維護方法和用途 ● 如何檢測耐震電接點壓力表是好的還是壞.. ● 關于耐震點接點壓力表的特點 ● 關于磁翻板的液位計的安裝,使用及維護 ● 耐震電接點壓力表的實際用途 ● 分析壓力表出現誤差的常見原因 ● 壓力表 ● 電接點壓力表 ● 不銹鋼耐震壓力表 ● 不銹鋼壓力表 ● 一般壓力表 ● 電阻遠傳壓力表 ● 耐震壓力表 ● 耐震電接點壓力表 ● 不銹鋼差壓表 ● 膜盒壓力表 ● 不銹鋼膜盒壓力表 ● 防爆電接點壓力表 ● 隔膜壓力表 ● 衛生型隔膜壓力表 ● 差動遠傳壓力表 ● 隔離式耐震磁助電接點壓力表 ● 絕壓壓力表 ● YE系列膜盒壓力表 ● Y-M系列隔膜壓力表 ● 數顯電接點壓力表 ● 全不銹鋼安全型壓力表 ● 防爆數字顯示壓力表 ● 耐腐耐高溫壓力表 ● 防強腐全塑隔膜壓力表 |
|
|
|